- 地址:
- 深圳市龙岗区宝龙街道龙升路134号506
- 邮箱:
- QQ:
- 397133602
- 传真:
- 0755-23359135
- 手机:
- 13686489765
山东山西MINUO微型双鱼眼接头位移传感器MODEL KDC-18-25mm电脑修刻
| 详细参数 | |
|---|---|
| 型号:KDC-33-5075100125150175200225275275300400 | 用途类型:直线位移传感器直接 |
| 工作原理:电阻式 | 输出信号:模拟型 |
| 材质:金属膜 | 位移特征:直线位移 |
| 测量范围:小位移 | 加工定制:否 |
| 标称阻值:5K | 重复精度:0.05 |
| 允许误差:0.1 | 线性精度:0.1 |
| 灵敏度:0.1 | 线性度:0.1 |
| 迟滞:0.1 | 重复性:0.1 |
| 漂移:0.1 | |
产品详情
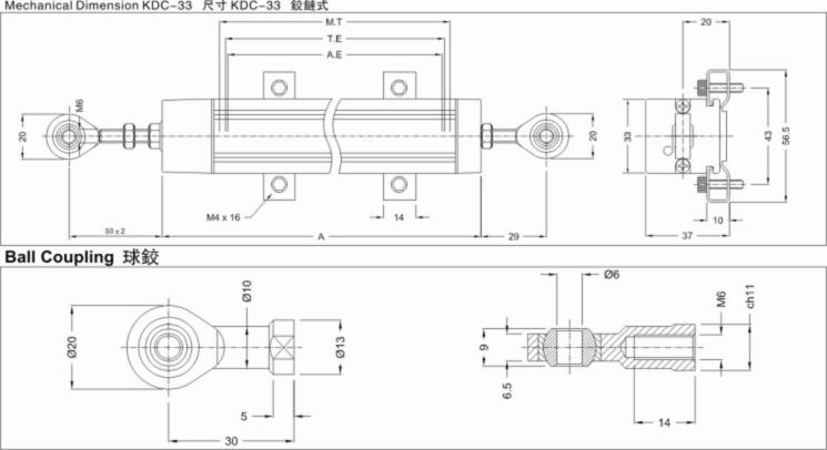
可内置模块,关节轴承,量程0-1250mm,可选模拟量输出:+5V,0-5V,0-10V,4-20mA两端带铰接安装方式,适用于较大机械行程且有摆动的位置检测,对安装的对中性无任何要求。例如:机器人,砖机,陶瓷机械,水闸等控制。
| KDC-33铰链系列 | mm | 75 | 100 | 125 | 150 | 175 | 200 | 225 | 250 | 275 | 300 | 325 | 350 | 375 | 400 | 425 |
| 电性总行程(T.E) | mm | 80 | 105 | 130 | 155 | 180 | 205 | 230 | 255 | 280 | 305 | 330 | 355 | 380 | 405 | |
| 可用电性行程(A.E) | mm | 75 | 100 | 125 | 150 | 175 | 200 | 225 | 250 | 275 | 300 | 325 | 350 | 375 | 400 | 425 |
| 电阻±20% | kΩ | 5.0 | ||||||||||||||
| 独立线性率 | ±% | 0.05 | ||||||||||||||
| 机械行程(M.T) | mm | 83 | 108 | 133 | 158 | 183 | 208 | 233 | 258 | 283 | 308 | 333 | 358 | 383 | 408 | 433 |
| 输出范围 | 分压器 | |||||||||||||||
| 解像度 | 无限 | |||||||||||||||
| 使用温度范围 | C° | -50 + 120 | ||||||||||||||
| 尺寸(A) | mm | 154 | 179 | 204 | 229 | 254 | 279 | 304 | 329 | 354 | 379 | 404 | 429 | 454 | 479 | 504 |
| KDC-33铰链系列 | mm | 450 | 475 | 500 | 550 | 600 | 650 | 700 | 750 | 800 | 850 | 900 | 950 | 1000 | 1150 | 1250 | |
| 电性总行程(T.E) | mm | 455 | 480 | 505 | 555 | 605 | 655 | 705 | 755 | 805 | 855 | 905 | 955 | 1005 | 1155 | 1255 | |
| 可用电性行(A.E) | mm | 450 | 475 | 500 | 550 | 600 | 650 | 700 | 750 | 800 | 850 | 900 | 950 | 1000 | 1150 | 1250 | |
| 电阻±20% | kΩ | 10.0 | |||||||||||||||
| 独立线性率 | ±% | 0.05 | |||||||||||||||
| 机械行程(M.T) | mm | 458 | 483 | 508 | 558 | 608 | 658 | 708 | 758 | 808 | 858 | 908 | 958 | 1008 | 1158 | 1258 | |
| 输出范围 | 分压器 | ||||||||||||||||
| 解像度 | 无限 | ||||||||||||||||
| 使用温度范围 | C° | -50 + 120 | |||||||||||||||
| 尺寸(A) | mm | 527 | 552 | 577 | 627 | 677 | 727 | 777 | 827 | 877 | 927 | 977 | 1027 | 1077 | 1227 | 1327 | |
尺寸仅供参考,如有更改,恕不另行通知。


MINUO机器人控制位置检测器MODEL KDC-33-50mm KDC-33-75mm KDC-33-100mm
KDC-33-125mm KDC-33-150mm KDC-33-200mm KDC-33-225mm KDC-33-250mm KDC-33-275mm KDC-33-300mm KDC-33-325mm KDC-33-375mm KDC-33-400mm KDC-33-425mm KDC-33-475mm KDC-33-450mm KDC-33-500mm KDC-33-550mm KDC-33-600mm KDC-33-650mm KDC-33-700mm
KDC-33-750mm KDC-33-800mm KDC-33-950mm KDC-33-1000mm
KDC-33-275mm
MODEL KDC-18-10mm机器人控制位置检测器
砖机位移控制传感器MODEL KDC-18-25mm
MODEL KDC-18-50mm陶瓷机械位置控制电子尺
水闸位置控制电位器MODEL KDC-18-75mm
MODEL KDC-18-100mm水闸位置控制电位器
陶瓷机械位置控制电子尺MODEL KDC-18-125mm
MODEL KDC-18-150mm砖机位移控制传感器
机器人控制位置检测器MODEL KDC-18-175mm
KDC-18-200mm机器人控制位置检测器
砖机位移控制传感器KDC-18-225mm
KDC-18-250mm陶瓷机械位置控制电子尺
水闸位置控制电位器KDC-18-275mm
KDC-18-300mm砖机位移控制传感器
机器人控制位置检测器KDC-18-400mm



